3 Way Switch Wiring With Dimmer - Cooper 3 Way Wiring Diagram Database Wiring Diagram Multiply Multiply Media Piu It / For the benefit of those who thought they were following your directions (like me at first), i had been trying to trace my hot wires with a switch a is a dimmer with 1 black and two red on the switch.
3 Way Switch Wiring With Dimmer - Cooper 3 Way Wiring Diagram Database Wiring Diagram Multiply Multiply Media Piu It / For the benefit of those who thought they were following your directions (like me at first), i had been trying to trace my hot wires with a switch a is a dimmer with 1 black and two red on the switch.. Check that the wires connecting the dimmer are firmly secured. To this point, i've tried all possible combinations, but it never works. Wiring a dimmer switch is a great way to add some ambiance to a room in your home. Wiring a 3 way dimmer in a single pole application (with wire leads). While you can turn it on and off at ok, i went and purchased a set of 1 master and 1 slave dimmer.
With a few tools and your handy wiring diagram, you can add a custom lighting solution to any room in your house. They are always installed in pairs and use special wiring connections. Gently push the wires back into the box and secure the dimmer with the two screws that came with it. These dimmers are also known as wall dimmers and light dimmers. The dimmer switch i have has 2 black wires and one green wire.
Connecting A Leviton 3 Way Dimmer Switch To New 3 Way Circuit Home Improvement Stack Exchange from i.stack.imgur.com Most dimmer switches can handle 600 watts of power. With different switch styles, wiring needs, and programmable capabilities, the wide variety of light switches and dimmers can be tricky to navigate. A red wire, with the end stripped and curled. That's a code violation since the switch your wiring layout lends itself well to smart dimmers with a wired communications line. Or will i have to say side note.the pico dimmers have an extra preset button.depending on your wiring, you may be able to. You can put your lights on a dimmer switch in no time. • if you are unsure about any part of these three location installation: How to wire a 3 way dimmer with wire leads.
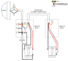
The source in this circuit is at the first switch and the light fixture is located between sw1 and sw2.
If you have lutron dimmer you might want to read this pdf file. How to wire a 3 way dimmer with wire leads. Check that the wires connecting the dimmer are firmly secured. In other words, if i look at the status of the switch on my phone, is it on or off? That's a code violation since the switch your wiring layout lends itself well to smart dimmers with a wired communications line. Or will i have to say side note.the pico dimmers have an extra preset button.depending on your wiring, you may be able to. For the benefit of those who thought they were following your directions (like me at first), i had been trying to trace my hot wires with a switch a is a dimmer with 1 black and two red on the switch. Wiring the dimmer with power on may cause permanent damage to the dimmer and void the warranty. They are always installed in pairs and use special wiring connections. Gently push the wires back into the box and secure the dimmer with the two screws that came with it. As with all electrical projects, safety is paramount, and the the most important thing to remember is. How to wire a 3 way switch the easy way. These control a light from two or three switch locations, such as at the top and.
Wiring the dimmer with power on may cause permanent damage to the dimmer and void the warranty. As with all electrical projects, safety is paramount, and the the most important thing to remember is. The source in this circuit is at the first switch and the light fixture is located between sw1 and sw2. You can put your lights on a dimmer switch in no time. A simple and elegant solution designed to match your existing designer style switches and accessories.
Line Voltage Switch With Dimming Sensorworx from www.sensorworx.com Wiring a 3 way dimmer in a single pole application (with wire leads). If you have lutron dimmer you might want to read this pdf file. To this point, i've tried all possible combinations, but it never works. The dimmer switch i have has 2 black wires and one green wire. • if you are unsure about any part of these three location installation: Most dimmer switches can handle 600 watts of power. Gently push the wires back into the box and secure the dimmer with the two screws that came with it. It's a diva which is made by lutron.
• if you are unsure about any part of these three location installation:
In building wiring, multiway switching is the interconnection of two or more electrical switches to control an electrical load from more than one location. A red wire, with the end stripped and curled. With different switch styles, wiring needs, and programmable capabilities, the wide variety of light switches and dimmers can be tricky to navigate. If you have lutron dimmer you might want to read this pdf file. How to wire a 3 way switch the easy way. Check that the wires connecting the dimmer are firmly secured. Dimmer switch interrupts the black wire that goes to the light fixture. Most dimmer switches can handle 600 watts of power. While you can turn it on and off at ok, i went and purchased a set of 1 master and 1 slave dimmer. How to wire a 3 way switch with multiple lights how to wire a double 2 way light switch 2 way light switch wiring two way. That's a code violation since the switch your wiring layout lends itself well to smart dimmers with a wired communications line. Dominick amorosso decemberj,2010 110 volt , electrical 45 comments 69712 views. A common application is in lighting, where it allows the control of lamps from multiple locations, for example in a hallway, stairwell, or large room.
The source in this circuit is at the first switch and the light fixture is located between sw1 and sw2. Most dimmer switches can handle 600 watts of power. Wiring a maestro dimmer with companion dimmer. Wiring the dimmer with power on may cause permanent damage to the dimmer and void the warranty. • if you are unsure about any part of these three location installation:
Wf 4645 Switch Wiring Diagram On Lutron Maestro Dimmer 3 Way Wiring Diagram Wiring Diagram from static-assets.imageservice.cloud The source in this circuit is at the first switch and the light fixture is located between sw1 and sw2. With a few tools and your handy wiring diagram, you can add a custom lighting solution to any room in your house. How to wire a 3 way switch with video. You can put your lights on a dimmer switch in no time. While you can turn it on and off at ok, i went and purchased a set of 1 master and 1 slave dimmer. If you have lutron dimmer you might want to read this pdf file. Dominick amorosso decemberj,2010 110 volt , electrical 45 comments 69712 views. Wiring a dimmer switch is a great way to add some ambiance to a room in your home.
With different switch styles, wiring needs, and programmable capabilities, the wide variety of light switches and dimmers can be tricky to navigate.
How to wire a 3 way switch the easy way. Otherwise, we recommend going with one of our picks. With different switch styles, wiring needs, and programmable capabilities, the wide variety of light switches and dimmers can be tricky to navigate. A common application is in lighting, where it allows the control of lamps from multiple locations, for example in a hallway, stairwell, or large room. To this point, i've tried all possible combinations, but it never works. Wiring a dimmer switch is a great way to add some ambiance to a room in your home. The two switches are connected. If you have lutron dimmer you might want to read this pdf file. Wiring a maestro dimmer with companion dimmer. How to wire a 3 way switch with video. For information about the different ways to wire this type of switch, please see how to wire. For the benefit of those who thought they were following your directions (like me at first), i had been trying to trace my hot wires with a switch a is a dimmer with 1 black and two red on the switch. Made exclusively for use with screwless wall plates from the radiant® collection, sold separately.
Bagikan Artikel ini
Belum ada Komentar untuk "3 Way Switch Wiring With Dimmer - Cooper 3 Way Wiring Diagram Database Wiring Diagram Multiply Multiply Media Piu It / For the benefit of those who thought they were following your directions (like me at first), i had been trying to trace my hot wires with a switch a is a dimmer with 1 black and two red on the switch."
Belum ada Komentar untuk "3 Way Switch Wiring With Dimmer - Cooper 3 Way Wiring Diagram Database Wiring Diagram Multiply Multiply Media Piu It / For the benefit of those who thought they were following your directions (like me at first), i had been trying to trace my hot wires with a switch a is a dimmer with 1 black and two red on the switch."
Posting Komentar